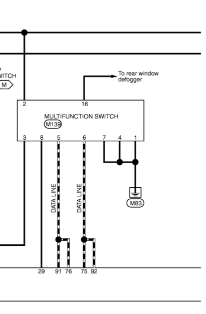
Canbus box does receive messages from both canbus lines. It shows for example door statuses (I suspect they are sent via line V_CAN) and other controls (volume, etc.) also work and they are connected to second line M_CAN.
I've written it before. I'll try to record a video...
In my opinion the problem lies in the incorrect protocol. I think log file could help us to nail it down. Could you guide me how to configure the unit and obtain these log files?
Before installation A/C worked without any problems and data was displayed on OEM screen. After installation... you saw on the video. It seems to me that original unit somwhow mediates communication between the buttons and the air conditioning controller.
As for video of OEM screen, I don't have it... it requires installing OEM unit again 😐